0086 15335008985
QM werkomgeving
◆ UitgangsspanningsBereik: AC220V, AC380V (aangepast voor speciale spanningen)
◆ Omgevingstemperatuur: -30 graden tot 70 graden
◆ Beschermingsniveau: IP65, IP67
◆ EXPLOSIEBEPASSING GRaDE: exdibt4
◆ Werkschema: korte 10 minuten
QM productmodel en functie
◆ QM-N gewoon Switch-type
◆ QM-Z
◆ Type geïntegreerde schakelaar
◆ QM-TT Regulerend type
◆ QM-ny intelligent type
QM1-QM4 Type (220V enkele fase motor) Product Technische parameters
| Model | Specificaties | Uitgangskoppel N.m | Outputsnelheid r/min | Looptijd S | Maximale stengeldiameter mm | Motorvermogen W | Motorstroom | Capaciteit UF/450 | Aantal rotaties van het handwiel | Referentienetgewicht Kg | |||||||
| Beoordeeld | Stal | ||||||||||||||||
| QM1 | QM06 | 60 | 0.86 | 17.5 | 22 | 15 | 0.45 | 0.67 | 4 | 8.5 | 9 | ||||||
| QM09 | 90 | 25 | 0.57 | 0.75 | 4 | 10 | |||||||||||
| QM2 | QM15 | 150 | 0.73 | 20 | 22 | 40 | 0.72 | 1.05 | 7 | 10.5 | 12 | ||||||
| QM20 | 200 | 1.5 | 10 | 32 | 40 | 0.72 | 1.05 | 7 | 13 | ||||||||
| QM3 | QM30 | 300 | 0.57 | 26 | 40 | 0.9 | 1.5 | 7 | 12.8 | 17 | |||||||
| QM40 | 400 | 1.2 | 13 | 32 | 60 | 0.95 | 1.75 | 10 | 18 | ||||||||
| QM50 | 500 | 90 | 1.2 | 1.9 | 12 | 19 | |||||||||||
| QM4 | QM60 | 600 | 0.57 | 26 | 32 | 90 | 1.8 | 3 | 12 | 14.5 | 22 | ||||||
| QM80 | 800 | 1.2 | 13 | 180 | 2.2 | 3.5 | 20 | 23 | |||||||||
| QM100 | 1000 | 200 | 2.4 | 3.8 | 20 | 25 | |||||||||||
QM1-QM4 Product Technische parameters van Type (380V driefasige motor)
| Model | Specificaties | Uitgangskoppel N.m | Outputsnelheid r/min | Maximale stengeldiameter mm | Motorvermogen W | Motorstroom | Looptijd S | Referentienetgewicht Kg | |||||||||
| Beoordeeld | Stal | ||||||||||||||||
| QM1 | QM6-1 | 60 | 1 | 22 | 0.025 | 0.26 | 0.52 | 15 | 9 | ||||||||
| QM9-1 | 90 | 0.025 | |||||||||||||||
| QM2 | QM5-1 | 50 | 1 | 22 | 0.025 | 0.26 | 0.52 | 18 | 10 | ||||||||
| QM10-1 | 100 | 1 | 0.025 | 0.26 | 0.52 | 18 | 10 | ||||||||||
| QM10-2 | 150 | 2 | 32 | 0.04 | 0.57 | 0.85 | 9 | 12 | |||||||||
| QM15-1 | 1 | 0.04 | 0.65 | 1 | 18 | 13 | |||||||||||
| QM15-2 | 200 | 2 | 0.06 | 9 | |||||||||||||
| QM20-1 | 1 | 0.06 | 18 | ||||||||||||||
| QM20-2 | 2 | 0.06 | 9 | ||||||||||||||
| QM3 | QM30-0.5 | 300 | 0.5 | 32 | 0.06 | 0.65 | 1 | 24 | 17 | ||||||||
| QM30-1 | 1 | 0.06 | 12 | ||||||||||||||
| QM30-2 | 2 | 0.09 | 0.72 | 1.5 | 6 | 18 | |||||||||||
| QM40-0.5 | 400 | 0.5 | 0.09 | 24 | |||||||||||||
| QM40-1 | 1 | 0.09 | 12 | ||||||||||||||
| QM40-2 | 2 | 0.09 | 6 | ||||||||||||||
| QM4 | QM60-0.5 | 600 | 0.5 | 42 | 0.12 | 0.85 | 1.8 | 28 | 22 | ||||||||
| QM60-1 | 1 | 14 | |||||||||||||||
| QM60-2 | 2 | 0.18 | 1.3 | 2.2 | 7 | 25 | |||||||||||
| QM80-0.5 | 800 | 0.5 | 28 | ||||||||||||||
| QM80-1 | 1 | 14 | |||||||||||||||
| QM80-2 | 2 | 7 | |||||||||||||||
| QM100-0.5 | 1000 | 0.5 | 28 | ||||||||||||||
| QM100-1 | 1 | 14 | |||||||||||||||
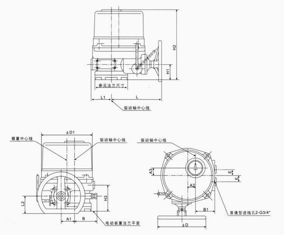
QM schetsdiagram
Hoofddimensietabel
| Model | A1 | A2 | A3 | B | B1 | D | D1 | E | H1 | H2 | H3 | L | L1 | L2 |
| QM1 | 44 | 17 | 36 | 75 | 68 | 200 | 170 | 275 | 60 | 256 | 109 | 179 | 62 | - |
| QM2 | 49.5 | 22.5 | 30 | 85 | 77.5 | 250 | 200 | 275 | 64 | 263 | 113 | 187 | 85 | 76 |
| QM3 | 60 | 33 | 35 | 100 | 77 | 350 | 220 | 275 | 70 | 298 | 119 | 202 | 88 | 110 |
| QM4 | 70 | 43 | 38 | 115 | 87 | 350 | 260 | 275 | 78 | 342 | 127 | 225 | 106 | 110 |
Schematisch diagram van QM en klepaansluiting
| Model | Flensnummer | D1 | D2 | D3 | D4 (Max) | D5 | ||||||||
| QM1 | F05 | φ102 | φ50 | φ40 | φ14 | 4-M6 diep 12 | ||||||||
| F07 | φ70 | φ54 | φ22 | 4-M8 diep 12 | ||||||||||
| QM2 | F10 | φ125 | φ102 | φ57 | 4-M10 diep 15 | |||||||||
| QM3 | F12 | φ150 | φ125 | φ75 | φ32 | 4-M12 diep 18 | ||||||||
| QM4 | F14 | φ175 | φ140 | φ85 | φ42 | 4-M16 Deep 20 | ||||||||
| Model | Flensnummer | D1 | D2 | D3 | b | L | L1 | D5 | ||||||
| Standaardmaat | Gereserveerde maat | Maximaal toegestaan | ||||||||||||
| QM2 | Ra | Ra1 | φ125 | φ50 | - | φ10 | φ22 | - | - | 45 | 4-M6 | |||
| RA2 | φ70 | Φ15 | φ32 | 44 | 4-M8 | |||||||||
| RA3 | φ102 | 4-M10 | ||||||||||||
| RB | RB1 | φ57.15 | φ12.6 | 3 | 13.80 | 4-M6 | ||||||||
| RB2 | φ69.85 | φ15.77 | 5 | 17.77 | 4-M8 | |||||||||
| RB3 | φ18.92 | 20.92 | ||||||||||||
| QM3 | RA | RA1 | φ150 | φ102 | - | φ15 | φ32 | - | 44 | 4-M10 | ||||
| RA2 | φ125 | 4-M12 | ||||||||||||
| RB | RB1 | φ88.9 | φ22.10 | 5 | 24.10 | 4-M12 | ||||||||
| RB2 | φ28.45 | 8 | 31.45 | |||||||||||
| QM4 | RA | RA1 | φ175 | φ140 | φ20 | φ42 | - | 58 | 4-M16 | |||||
| RB | RB1 | φ107.95 | φ31.60 | - | 34.60 | 4-M12 | ||||||||


















