0086 15335008985
| Para./model | Technische parameters | Basisdeel | Extern deel | ||||||||||||||||
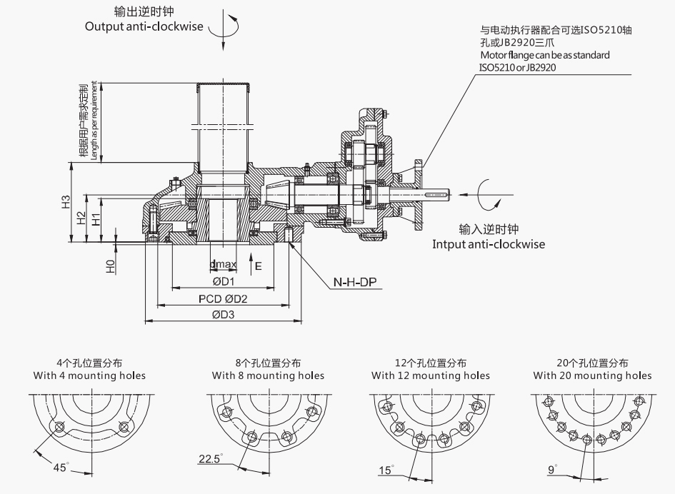
| Beoordeling Uitvoer Nm | Standaard verhouding | Invoeren Nm | M.A. ± 10% | Optioneel verhouding bereik | Max.Bore Dia. mm | Max. Stoot Knop | Elektrische actuatoraansluiting | Klepverbinding ACC.IS0521 | D1 | P.C.D | D3 | H0 | H1 | H2 | H3 | ||||
| IS05210 | JB2920 | Standaard Montage | Optioneel Montage | D2 | N-H-DP | ||||||||||||||
| Dal-Z03 | 350 | 4: 1 | 105 | 3.4 | - | 40 | 93 | F10 | Z10 | F12 | F10 | 85 | 125 | 4-M12-18 | 150 | 3 | 53 | 68 | 109 |
| Dal-Z05 | 550 | 4: 1 | 165 | 3.4 | - | 52 | 127 | F10-F14 | Z10-Z20-Z30 | F14 | F12 | 100 | 140 | 4-M16-24 | 175 | 3 | 65 | 78 | 125 |
| Dal-Z1 | 900 | 4: 1 | 265 | 3.4 | - | 60 | 141 | F10-F14 | Z10-Z20-Z30 | F16 | F14 | 130 | 165 | 4-M20-30 | 210 | 4 | 73 | 91 | 138 |
| Dal-Z2 | 1400 | 4.2: 1 | 395 | 3.5 | - | 65 | 190 | F10-F14 | Z30-Z45 | F20 | F16 | 140 | 205 | 8-M16-24 | 250 | 4 | 77 | 81 | 140 |
| Dal-Z2-1C* | 9.8: 1 | 190 | 7.4 | 6.7 ~ 9.8 | F10-F14-F16 | Z20-Z30-Z45 | |||||||||||||
| DAL-Z2-1S | 13.6: 1 | 145 | 9.8 | 8.7 ~ 18.8 | F10-F14 | Z10-Z20-Z30 | |||||||||||||
| Dal-Z3 | 2500 | 4.1: 1 | 720 | 3.5 | - | 75 | 268 | F10-F14-F16 | Z30-Z45-Z60 | F25 | F16 | 200 | 254 | 8-M16-24 | 300 | 4 | 86 | 88 | 152 |
| Dal-Z3-1C* | 9.6: 1 | 345 | 73 | 6.6 ~ 9.6 | F10-F14-F16 | Z20-Z30-Z45-Z60 | |||||||||||||
| DAL-Z3-1S | 18: 1 | 195 | 13 | 9 ~ 24.6 | F10-F14 | Z10-Z20-Z30 | |||||||||||||
| Dal-Z5 | 4000 | 5.2: 1 | 905 | 4.4 | - | 90 | 308 | F14-F16-F25 | Z45-Z60-Z90 | F30 | F25 | 230 | 298 | 8-M20-30 | 350 | 4 | 102 | 108 | 181 |
| Dal-Z5-1C | 12.2: 1 | 435 | 9.3 | 8.3 ~ 12.2 | F10-F14-F16 | Z30-Z45-Z60 | |||||||||||||
| Dal-Z5-1S | 23: 1 | 245 | 16.5 | 11.5 ~ 31.3 | F10-F14 | Z10-Z20-Z30-Z45 | |||||||||||||
| Dal-Z8 | 6000 | 5.6: 1 | 1270 | 4.7 | - | 110 | 377 | F16-F25-F30 | Z90-Z120-Z180 | F35 | F30 | 260 | 356 | 8-M30-45 | 420 | 5 | 132 | 14 | 238 |
| Dal-Z8-1C | 18: 1 | 440 | 13.7 | 10.5 ~ 18 | F14-F16-F25 | Z30-Z45-Z60-Z90 | |||||||||||||
| Dal-Z8-1S | 37.9: 1 | 220 | 27.3 | 20 ~ 50.4 | F10-F14-F16 | Z20-Z30-Z45-Z60 | |||||||||||||
| Dal-Z10 | 8000 | 6.3: 1 | 1500 | 5.3 | - | 130 | 427 | F16-F25-F30 | Z90-Z120-Z180 | F40 | F35 | 300 | 406 | 8-M36-50 | 475 | 6 | 138 | 168 | 270 |
| Dal-Z10-1C* | 20.3: 1 | 525 | 15.4 | 11.8 ~ 20.3 | F14-F16-F25 | Z45-Z60-Z90-Z120 | |||||||||||||
| Dal-Z10-1S | 42.8: 1 | 260 | 30.8 | 22.4 ~ 56.7 | F10-F14-F16 | Z20-Z30-Z45-Z60 | |||||||||||||
Aantekeningen:
Voor het model met "*" is de ingangsrichtingrichting tegengesteld aan de uitgangsrotatierichting, zoals DAL-Z2-1C, wanneer de ingangsrotatie met de klok mee is, is de uitgangsrotatie tegen de klok in.
Een enkel podium
B Dubbele fasen
C dubbele fasen
Productintroductie
Er zijn vijf series multi turn versnellingsbakjes, waaronder BH-V-serie (standaardtype), RK & 2CK-serie (kan een grotere klepstam dia), BA-serie (voor binnenlandse verkoop), 7BH-serie (niet-stuwkracht) en RMMD-serie accepteren (drie ingangen). Het optionele lichaamsmateriaal kan ductiel ijzer zijn, koolstofstaal enz. Montageflens volgens LS05210 van F07 tot F60.torque bereik tot 50000 nm.
Sollicitatie
De tandwielboxen geschikt voor gegoten en gefabiele sluispoorten, poortkleppen, bolkleppen die het water, olie, gas, chemisch, vermogen en algemene industriële toepassingen bedienen.
Kenmerk
Product ontworpen voor een passende handmatige en gemotoriseerde toepassing. Kan ook het vergrendelingsapparaat en het kettingwiel leveren. Motorflens volgens LSO 5210 of JB2900;
Standaard lichaamsmaterialen zijn ductiel ijzer en koolstofstaal. Aangepaste lage temperatuurstaal of roestvrij staal zijn optioneel;
Omgevingstemperatuur: -20 ℃ tot 120 ℃ en kan ook worden aangepast voor lage temperatuuromgeving, zoals -30 ℃, -40 ℃, -59 ℃ etc:
Het standaardbeveiligingscijfer is LP65 en LP67, LP68 kunnen worden aangepast.
Modelbeschrijving
BH-Vseries
BH-V: Single Stage, zoals BH-V0
BH-V-S: Dubbele fase, "S" is code voor reductie-uitrusting, zoals BH-V35-1S
Modelnummer begon met "D" voor versnellingsbak met gemotoriseerde toepassing.
zoals DBH-V0.
RK & 2CK -serie geschikt voor grote klepstam
RK & 2CK -nummer: enkele fase, zoals RK05,2CK2, enz.
2CK-S: dubbele fase, "S" is code voor reductie-versnelling, zoals 2CK3-1S
Modelnummer begon met "D" voor versnellingsbak met gemotoriseerde toepassing.
zoals DRK05.D2CK3.
Seriesfuncties
BH-V & MA-serie
Volledig bereik van multi-turn schuine versnellingsbak Suitalbe voor veeleisende handmatige en gemotoriseerde toepassingen. Op grote schaal gebruikt op poortventiel, bolklep en sluise poorten.etc.
De belangrijkste materialen zijn gegoten staal, ductiel ijzer, enz., Optiona, materiaal, staal met lage temperatuur, stalen staal.
Koppelbereik van 220 nm tot 50000 nm (162 tot 36900 lbf.ft)
Stuwkracht varieert van 75 kN tot 4000 KN.
Waterdichte graad: LP65, LP67 en LP68 zijn optioneel;
Omgevingstemperatuur: -20'cto 120 'C, maar -30'C, -40'C, -59'C en andere lage temperatuur zijn optioneel
Adonts Arc Tooth Desian, door Bearina, meer flexibele transmissie, hogere efficiëntie te gebruiken.
RK & 2CK -serie
Volledig bereik van multi-turn schuine versnellingsbak Suitalbe voor veeleisende handmatige en gemotoriseerde toepassingen. Op grote schaal gebruikt op poortventiel, bolklep en sluise poorten.etc.
De aandrijfhuls en aandrijfstruik zijn een integrale type, kan een grotere klepsteel dia accepteren.
De belangrijkste materialen zijn gegoten staal, staal met lage temperatuur en roestvrij staal zijn optioneel;
Waterdichte cijfer: LP65;
Omgevingstemperatuur: -20'C tot 120 ° C, maar -30'C, -40'C, -59'C en andere lage temperatuur zijn optioneel
Neemt boogtandontwerp aan, door lager, meer flexibele transmissie, hogere efficiëntie te gebruiken.
7bh serie
Licht-duty schuine versnellingsbak die geschikt is voor de kleppen die de stuwkracht niet naar de operator overbrengen, inclusief 2 modellen, kan de montageflens worden aangepast volgens de gebruiker, beter bijpassende klep;
Het belangrijkste materiaal is ductiel ijzer:
Waterdichte graad: LP65, | P67 en LP68 zijn optioneel;
Waterdichte cijfer: LP65;
Omgevingstemperatuur: -20'C tot 120 ° C
Neemt boogtandontwerp aan, door lager, meer flexibele transmissie, hogere efficiëntie te gebruiken.
RMMD -serie
Driewegtype Bevelwielbox met drie ingangen. De aandrijfhuls en aandrijfstruik zijn een integrale type en kunnen een grotere klepsteel dia accepteren. Geschikt voor veeleisende handmatige en gemotoriseerde toepassingen.
Deze serie is gewijzigd op de RK & 2CK -serie, dus het kan samen met RK & 2CK -serie worden gebruikt;
Let op bij gebruik van de RMMD -serieproducten op de drie ingangsrichting;
Hoofdmaterialen: gegoten staal; Lage temperatuurstaal en roestvrij staal zijn optioneel;
De waterdichte cijfer: P65:
Omgevingstemperatuur: -20'C tot 120 'C, maar -30'C, -40'C, -59'C en andere lage temperatuur zijn optioneel
Neemt Arc Tooth Desian aan, door lager, meer flexibele transmissie, hogere efficiëntie te gebruiken.
















